Skip to main content

Reach out and feed someone: Automated system finds rapid honey bee networks

BY Claudia Lutz

“Only connect”—E. M. Forster’s pithy quotation captures an essential feature of any society, human or animal: the patterns of interactions among individuals out of which collective behaviors arise. By developing a system that allows automated, in-depth monitoring of the social interactions of honey bees, researchers have now uncovered an unexpected property of the bee social network that may someday help us design more effective human and machine communication systems.

The team, which included researchers in computer science, entomology, physics, and mechanical science and engineering from the University of Illinois at Urbana-Champaign and Leipzig University, described the work in a new publication in the Proceedings of the National Academy of Sciences (10.1073/pnas.1713568115). Their behavioral monitoring system was designed to take advantage of recent advances in imaging and image analysis. Surprisingly, it revealed that a particular pattern of social interactions, associated with slow spread of information in human communities, appeared to allow for fast spread of information among the bees.

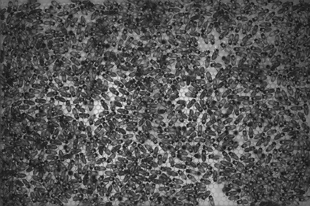
By tagging bees with custom barcodes, researchers were able to automatically track all members of a small honeybee colony.
By tagging bees with custom barcodes, researchers were able to automatically track all members of a small honey bee colony.

“[The aim was] to understand how to quantify the cohesiveness of a society,” said Illinois Swanlund Professor of Physics Nigel Goldenfeld. “If gas particles agglomerate to form a liquid, then you have new behavior such as surface tension  . . . social systems also should exhibit emergent properties that describe how they hold together, but we don't have a good way to understand and quantify this yet.” Goldenfeld is also Biocomplexity Research Theme Leader at the Carl R. Woese Institute for Genomic Biology (IGB).

One way to document one-on-one interaction between bees is to spot trophallaxis, a behavior in which one bee requests food and her nestmate responds by offering up a drop of regurgitated sugary liquid. At first glance, trophallaxis looks like one bee grabbing a snack, but this exchange may be rich not only in calories but also information, including chemical signals that the bee offering the food has produced or received from others.

This feature makes trophallaxis a prime behavior to study, but it would be nearly impossible for a human observer to document every occurrence in a colony over an extended period of time. Tim Gernat, a graduate student working in the laboratories of Gene Robinson, Director of the IGB and Swanlund Professor of Entomology at the University of Illinois, and Leipzig University Professor of Mathematics and Computer Science Martin Middendorf, set out to create an automated system that could do just that.

The experimental set-up was a blend of the high-tech and the naturalistic. Colonies of honey bees housed in glass-walled hives were photographed once per second, recording images that included the custom-designed square barcode tag glued to each bee’s back. The resulting photo gallery formed a near-complete record of the interactions between colony members over the course of more than a week. For network scientists interested in social interactions, such a thorough record for such a large group represents a new and exciting opportunity.

“I believe the time was right for this kind of work,” Gernat said. “High resolution printing exists, high resolution cameras exist, different kinds of barcodes exist . . . what was very difficult, and is still very difficult, is to track the behavior.”

Gernat and his colleagues worked to create and refine software that could flag likely exchanges of food between bees.

“The biggest technical challenge was on the experimental side—tracking individual bees and automatically detecting their interactions,” said Vikyath Rao, a postdoctoral researcher in physics at Illinois. Once that challenge was met, the group had a rapid and systematic approach for generating a social network dataset unrivaled in its quality and size.

The scope of the project allowed the researchers a mathematically rigorous look at the spread of information within a social system that, despite the misleadingly named queen, is a leaderless, decentralized community. Honey bees coordinate group-level behavior through thousands of small interactions that might appear random to the human eye; is there a hidden pattern to their encounters?

By studying the timing of interactions between bees, the team found that the honey bee social network shared a key feature with human networks as glimpsed from cell phone or social media activity: interactions occurred in a pattern of sporadic bunches and gaps that network scientists describe as “bursty.”

This apparent parallel between human and bee social interactions hid a surprise. When the researchers simulated how fast a piece of information (for bees, this could be anything from a chemical signal to a disease-causing pathogen) might spread through the network, they found that this occurred rapidly, unlike the slow spreading found in bursty human networks. This feature was robust to changes in colony demography, even re-emerging in the interaction networks of hives from whom many individuals had been suddenly removed.

“We have network structure and we have self-organization, foragers and hive bees working together to sustain the function of the colony,” said Harry Dankowicz, Professor of Mechanical Science and Engineering at the University of Illinois. “But, is there a connection between the two? What form might it take and what might we learn from such knowledge?”

This interdisciplinary collaboration is one step in an effort to uncover and be inspired by the secrets of self-organized natural systems.
 
“The project has opened several promising avenues of future work, beginning with exploring further the underlying principles that make the honey bee network function in such a unique way, and what that might mean for human social networks,” Robinson said.

The work was supported by the National Science Foundation, the Christopher Family Foundation, the National Academies Keck Futures Initiative, and the National Institutes of Health. Both Robinson and Goldenfeld are also faculty members in the Illinois Center for Advanced Studies.

 

Related Articles

News Archive